Variable Volume Piston Pumps
SP
Nachi type piston pumps
This piston pump is applied for
NC lathe
Machine center
Bending machine
Blowing machine
High efficient special machine or press
Flow range is from 8cc to 70cc/rev
Features
- Nachi type
- High efficiency.
- Extremely low noise, durable.
- Easy operation.
Specification
| Model Number | Displacement cm³/rev | Un-Loaded Displacement 1/min | Pressure Adjusting Range kgf/cm² | Maxi. Setting Pressure kgf/cm² | Rotation rpm | ||||
|---|---|---|---|---|---|---|---|---|---|
| 1000rpm | 1200rpm | 1500rpm | 1800rpm | Min | Max | ||||
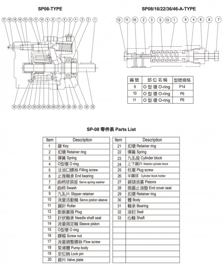
| SP08-A 0 / 1 / 2 / 3-F-R-51 | 8 | 8 | 9.6 | 12.0 | 14.4 | A0: 10 ~ 40 A1: 20 ~ 70 A2: 30 ~ 140 A3: 40 ~ 210 A4: 40 ~ 250(Only SP70 is applicable) | A0: 40 A1: 70 A2: 140 A3: 210 A4: 250 | 500 | 2000 |
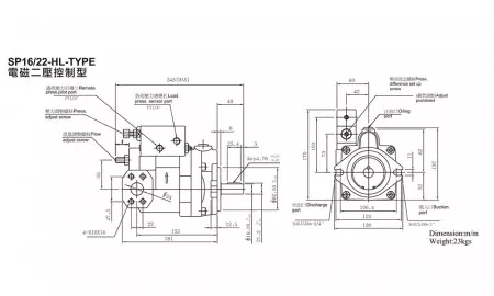
| SP16-A 0 / 1 / 2 / 3-F-R-51 | 16.5 | 16.5 | 19.8 | 24.7 | 29.7 | ||||
| SP22-A 0 / 1 / 2 / 3-F-R-51 | 22.0 | 22 | 26.4 | 33.0 | 39.6 | ||||
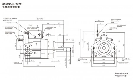
| SP36-A 0 / 1 / 2 / 3-F-R-51 | 36.0 | 36 | 43.2 | 54.0 | 64.8 | ||||
| SP46-A 0 / 1 / 2 / 3-F-R-51 | 46.0 | 46 | 55.2 | 69.0 | 82.8 | 1800 | |||
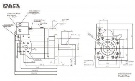
| SP70-A 1 / 3 / 4-F-R-51 | 70.0 | 70 | 84.0 | 105.0 | 126.0 | ||||
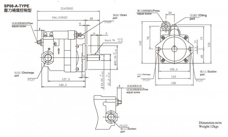
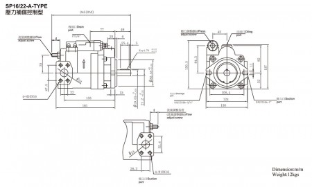
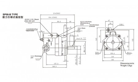
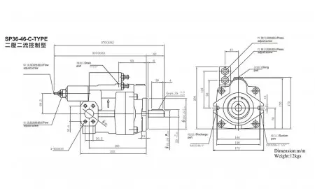
Control Type
Standard| Control type | JIS symbol | Characteristics | Description |
|---|---|---|---|
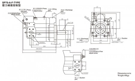
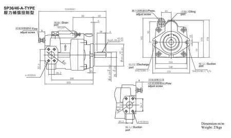
| A | ![]() | ![]() | Pressure Compensator Type 1. When output pressure reach to setting pressure, the flow decrease auto-matically and pressure maintain. 2. Pressure can be manually adjusted. |
| Control Type | JIS Symbol | Characteristics | Description |
|---|---|---|---|
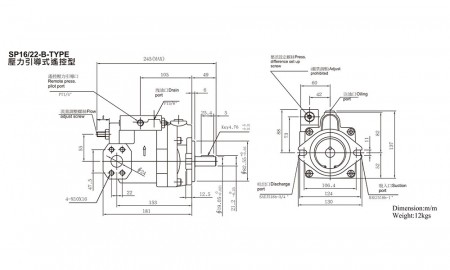
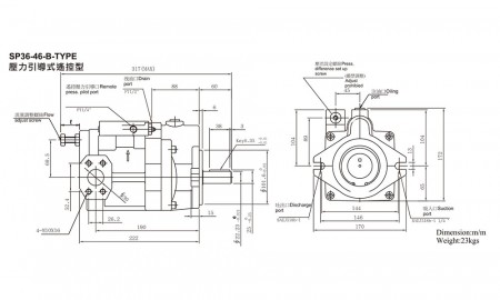
| B | ![]() | ![]() | Pressure-pilot Remote Control Type 1. The setting pressure of pressure compensated control can be controlled through external remote valve. |
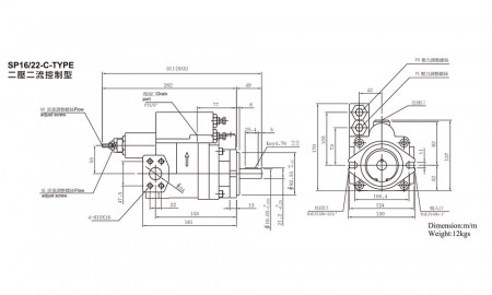
| C | ![]() | ![]() | Dual-pressure Dual-flow Control Type 1. Through the setting pressure of dual pressure compensator type, the flow of pump can be interchan-geable from low pressure-high flow to high-pressure-low flow easily. |
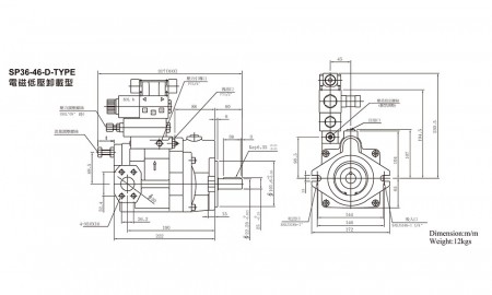
| D | ![]() | ![]() | Solenoid Low Pressure Unload Type 1. Thuough reverse installation of solenoid valve, setting pressure of un-load and pressure compen-sator can be effectively controlled. |
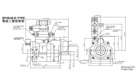
| E | ![]() | ![]() | Solenoid Dual Pressure Control Type 1. Through reverse installation of solenoid valve, 2 stages' setting pressure's compensated control can be fulfilled. |
| HL | ![]() | ![]() | Load Sensor Type 1. Pump is used to make flow controlled valves' pressure difference become constant and automatically control output flow. |
Nomenclature
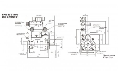
- Unit Dimensions
- Performance
- Cross Sectional Diagram
- Files Download
Variable Volume Piston Pumps | Over 21 Years World-Class Oil Hydraulic Valves and Pumps Manufacturer | TAICIN L.S. CO., LTD.
Based in Taiwan since 1982, TAICIN L.S. CO., LTD. has been an oil hydraulic valves and pumps manufacturer. Their main products, including Variable Volume Piston Pumps Hydraulic Solenoid Valves, Pumps, Cartridge Valves, Modular Valves and Proportional Valves, which are designed with DFM and FEA principles.
Taicin is an outstanding company devoted to the professional production and selling of hydraulic valves. Since it was established, Taicin comply with business philosophies of Professional, Quality, and Service. Taicin produce products with precision machining and check manufacture process strictly. Taicin strive to supply products of excellent quality with professional technology and R&D efforts, accompany with considerate service for customer's satisfactory.
TAICIN has been offering customers high-quality hydraulic parts, both with advanced technology and 41 years of experience, TAICIN ensures each customer's demands are met.














